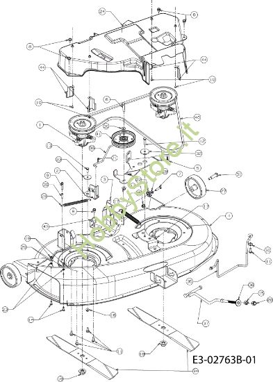
Piatto di taglio POLO 95/11,5 T France Cat.2008 Trattorino (solo per il mercato francese)

Trattorini POLO 95/11,5 T France Cat.2008 Trattorino (solo per il mercato francese) Piatto di taglio della marca Oleo-Mac
PAga in tre rate con Klarna
PAga in tre rate con Klarna
PAga in tre rate con Klarna black
Produttore:: OLEOMAC

In caso di ordine dei ricambi, se non immediatamente disponibili a magazzino, le tempistiche possono arrivare fino a 7-18 GIORNI LAVORATIVI..

...in caso di ordine ricorda di scrivere nel campo note varie IL SERIALE DELLA TUA MACCHINA, L'ANNO DI ACQUISTO ECC.. Questo per agevolare il nostro staff nella individuazione dei ricambi corretti.

...In caso di mancata trasmissione di tali informazioni, saremo costretti ad applicare una penale del 20% sul valore del ricambio in caso di richiesta di rimborso o di sostituzione.

ATTENZIONE: Se nella lista sotto non compaiono i relativi ricambi riportati nell'esploso

...significa che  non è possibile più acquistarli in quanto NON PIU' FORNIBILI E/O OBSOLETI

In caso di ordine di ricambi per il tuo prodotto POLO 95/11,5 T France Cat.2008 Trattorino (solo per il mercato francese) della Oleo-Mac, per permettere al nostro staff di spedirti i ricambi corretti, inserire, nella pagina finale del carrello nel campo Note varie, anno della macchina e, se disponibile, il suo numero di matricola.

In caso di ordine di ricambi per il tuo prodotto POLO 95/11,5 T France Cat.2008 Trattorino (solo per il mercato francese) della Oleo-Mac, per permettere al nostro staff di spedirti i ricambi corretti, inserire, nella pagina finale del carrello nel campo Note varie, anno della macchina e, se disponibile, il suo numero di matricola.

1 Mozzo
Ricambio Mozzo Piatto di taglio POLO 95/11,5 T France Cat.2008 Trattorino (solo per il mercato francese) della marca Oleo-Mac Richiede pezzi:2
€363,36 IVA inc.
Spedire a
*
*
Metodo di spedizione
Nome
Stima di spedizione
Costo
Stima Spedizione non possibile
+ -
2 Freno
Ricambio Freno Piatto di taglio POLO 95/11,5 T France Cat.2008 Trattorino (solo per il mercato francese) della marca Oleo-Mac Richiede pezzi:1
€35,17 IVA inc.
Spedire a
*
*
Metodo di spedizione
Nome
Stima di spedizione
Costo
Stima Spedizione non possibile
+ -
4 Piatto di taglio Nero; Black
Ricambio Piatto di taglio Nero; Black Piatto di taglio POLO 95/11,5 T France Cat.2008 Trattorino (solo per il mercato francese) della marca Oleo-Mac Richiede pezzi:1
€716,02 IVA inc.
Spedire a
*
*
Metodo di spedizione
Nome
Stima di spedizione
Costo
Stima Spedizione non possibile
+ -
5 Freno
Ricambio Freno Piatto di taglio POLO 95/11,5 T France Cat.2008 Trattorino (solo per il mercato francese) della marca Oleo-Mac Richiede pezzi:1
€120,27 IVA inc.
Spedire a
*
*
Metodo di spedizione
Nome
Stima di spedizione
Costo
Stima Spedizione non possibile
+ -
6 Vite
Ricambio Vite Piatto di taglio POLO 95/11,5 T France Cat.2008 Trattorino (solo per il mercato francese) della marca Oleo-Mac Richiede pezzi:1
€10,83 IVA inc.
Spedire a
*
*
Metodo di spedizione
Nome
Stima di spedizione
Costo
Stima Spedizione non possibile
+ -
7 Vite
Ricambio Vite Piatto di taglio POLO 95/11,5 T France Cat.2008 Trattorino (solo per il mercato francese) della marca Oleo-Mac Richiede pezzi:1
€10,00 IVA inc.
Spedire a
*
*
Metodo di spedizione
Nome
Stima di spedizione
Costo
Stima Spedizione non possibile
+ -
8 Vite
Ricambio Vite Piatto di taglio POLO 95/11,5 T France Cat.2008 Trattorino (solo per il mercato francese) della marca Oleo-Mac Richiede pezzi:7
€10,00 IVA inc.
Spedire a
*
*
Metodo di spedizione
Nome
Stima di spedizione
Costo
Stima Spedizione non possibile
+ -
9 Vite
Ricambio Vite Piatto di taglio POLO 95/11,5 T France Cat.2008 Trattorino (solo per il mercato francese) della marca Oleo-Mac Richiede pezzi:1
€7,12 IVA inc.
Spedire a
*
*
Metodo di spedizione
Nome
Stima di spedizione
Costo
Stima Spedizione non possibile
+ -
11 Vite
Ricambio Vite Piatto di taglio POLO 95/11,5 T France Cat.2008 Trattorino (solo per il mercato francese) della marca Oleo-Mac Richiede pezzi:9
€11,47 IVA inc.
Spedire a
*
*
Metodo di spedizione
Nome
Stima di spedizione
Costo
Stima Spedizione non possibile
+ -
14 Vite
Ricambio Vite Piatto di taglio POLO 95/11,5 T France Cat.2008 Trattorino (solo per il mercato francese) della marca Oleo-Mac Richiede pezzi:2
€7,61 IVA inc.
Spedire a
*
*
Metodo di spedizione
Nome
Stima di spedizione
Costo
Stima Spedizione non possibile
+ -
15 Dado
Ricambio Dado Piatto di taglio POLO 95/11,5 T France Cat.2008 Trattorino (solo per il mercato francese) della marca Oleo-Mac Richiede pezzi:1
€7,91 IVA inc.
Spedire a
*
*
Metodo di spedizione
Nome
Stima di spedizione
Costo
Stima Spedizione non possibile
+ -
16 Dado
Ricambio Dado Piatto di taglio POLO 95/11,5 T France Cat.2008 Trattorino (solo per il mercato francese) della marca Oleo-Mac Richiede pezzi:1
€11,27 IVA inc.
Spedire a
*
*
Metodo di spedizione
Nome
Stima di spedizione
Costo
Stima Spedizione non possibile
+ -
17 Dado
Ricambio Dado Piatto di taglio POLO 95/11,5 T France Cat.2008 Trattorino (solo per il mercato francese) della marca Oleo-Mac Richiede pezzi:4
€13,62 IVA inc.
Spedire a
*
*
Metodo di spedizione
Nome
Stima di spedizione
Costo
Stima Spedizione non possibile
+ -
18 Dado
Ricambio Dado Piatto di taglio POLO 95/11,5 T France Cat.2008 Trattorino (solo per il mercato francese) della marca Oleo-Mac Richiede pezzi:2
€15,14 IVA inc.
Spedire a
*
*
Metodo di spedizione
Nome
Stima di spedizione
Costo
Stima Spedizione non possibile
+ -
19 Dado
Ricambio Dado Piatto di taglio POLO 95/11,5 T France Cat.2008 Trattorino (solo per il mercato francese) della marca Oleo-Mac Richiede pezzi:2
€5,76 IVA inc.
Spedire a
*
*
Metodo di spedizione
Nome
Stima di spedizione
Costo
Stima Spedizione non possibile
+ -
20 Dado
Ricambio Dado Piatto di taglio POLO 95/11,5 T France Cat.2008 Trattorino (solo per il mercato francese) della marca Oleo-Mac Richiede pezzi:1
€5,86 IVA inc.
Spedire a
*
*
Metodo di spedizione
Nome
Stima di spedizione
Costo
Stima Spedizione non possibile
+ -
21 Coppiglia
Ricambio Coppiglia Piatto di taglio POLO 95/11,5 T France Cat.2008 Trattorino (solo per il mercato francese) della marca Oleo-Mac Richiede pezzi:1
€7,91 IVA inc.
Spedire a
*
*
Metodo di spedizione
Nome
Stima di spedizione
Costo
Stima Spedizione non possibile
+ -
22 Distanziale
Ricambio Distanziale Piatto di taglio POLO 95/11,5 T France Cat.2008 Trattorino (solo per il mercato francese) della marca Oleo-Mac Richiede pezzi:1
€23,86 IVA inc.
Spedire a
*
*
Metodo di spedizione
Nome
Stima di spedizione
Costo
Stima Spedizione non possibile
+ -
25 Molla
Ricambio Molla Piatto di taglio POLO 95/11,5 T France Cat.2008 Trattorino (solo per il mercato francese) della marca Oleo-Mac Richiede pezzi:1
€24,85 IVA inc.
Spedire a
*
*
Metodo di spedizione
Nome
Stima di spedizione
Costo
Stima Spedizione non possibile
+ -
26 Molla
Ricambio Molla Piatto di taglio POLO 95/11,5 T France Cat.2008 Trattorino (solo per il mercato francese) della marca Oleo-Mac Richiede pezzi:1
€22,36 IVA inc.
Spedire a
*
*
Metodo di spedizione
Nome
Stima di spedizione
Costo
Stima Spedizione non possibile
+ -
27 Ruota
Ricambio Ruota Piatto di taglio POLO 95/11,5 T France Cat.2008 Trattorino (solo per il mercato francese) della marca Oleo-Mac Richiede pezzi:2
€27,93 IVA inc.
Spedire a
*
*
Metodo di spedizione
Nome
Stima di spedizione
Costo
Stima Spedizione non possibile
+ -
28 Rondella
Ricambio Rondella Piatto di taglio POLO 95/11,5 T France Cat.2008 Trattorino (solo per il mercato francese) della marca Oleo-Mac Richiede pezzi:1
€7,91 IVA inc.
Spedire a
*
*
Metodo di spedizione
Nome
Stima di spedizione
Costo
Stima Spedizione non possibile
+ -
29 Rondella
Ricambio Rondella Piatto di taglio POLO 95/11,5 T France Cat.2008 Trattorino (solo per il mercato francese) della marca Oleo-Mac Richiede pezzi:2
€7,42 IVA inc.
Spedire a
*
*
Metodo di spedizione
Nome
Stima di spedizione
Costo
Stima Spedizione non possibile
+ -
30 Rondella
Ricambio Rondella Piatto di taglio POLO 95/11,5 T France Cat.2008 Trattorino (solo per il mercato francese) della marca Oleo-Mac Richiede pezzi:2
€7,91 IVA inc.
Spedire a
*
*
Metodo di spedizione
Nome
Stima di spedizione
Costo
Stima Spedizione non possibile
+ -
31 Vite
Ricambio Vite Piatto di taglio POLO 95/11,5 T France Cat.2008 Trattorino (solo per il mercato francese) della marca Oleo-Mac Richiede pezzi:2
€15,28 IVA inc.
Spedire a
*
*
Metodo di spedizione
Nome
Stima di spedizione
Costo
Stima Spedizione non possibile
+ -
32 Distanziale
Ricambio Distanziale Piatto di taglio POLO 95/11,5 T France Cat.2008 Trattorino (solo per il mercato francese) della marca Oleo-Mac Richiede pezzi:1
€9,19 IVA inc.
Spedire a
*
*
Metodo di spedizione
Nome
Stima di spedizione
Costo
Stima Spedizione non possibile
+ -
33 Distanziale
Ricambio Distanziale Piatto di taglio POLO 95/11,5 T France Cat.2008 Trattorino (solo per il mercato francese) della marca Oleo-Mac Richiede pezzi:1
€14,44 IVA inc.
Spedire a
*
*
Metodo di spedizione
Nome
Stima di spedizione
Costo
Stima Spedizione non possibile
+ -
34 Lama
Ricambio Lama Piatto di taglio POLO 95/11,5 T France Cat.2008 Trattorino (solo per il mercato francese) della marca Oleo-Mac Richiede pezzi:2
€59,15 IVA inc.
Spedire a
*
*
Metodo di spedizione
Nome
Stima di spedizione
Costo
Stima Spedizione non possibile
+ -
35 Leva
Ricambio Leva Piatto di taglio POLO 95/11,5 T France Cat.2008 Trattorino (solo per il mercato francese) della marca Oleo-Mac Richiede pezzi:1
€50,18 IVA inc.
Spedire a
*
*
Metodo di spedizione
Nome
Stima di spedizione
Costo
Stima Spedizione non possibile
+ -
36 Leva freno
Ricambio Leva freno Piatto di taglio POLO 95/11,5 T France Cat.2008 Trattorino (solo per il mercato francese) della marca Oleo-Mac Richiede pezzi:1
€24,77 IVA inc.
Spedire a
*
*
Metodo di spedizione
Nome
Stima di spedizione
Costo
Stima Spedizione non possibile
+ -
37 Rondella
Ricambio Rondella Piatto di taglio POLO 95/11,5 T France Cat.2008 Trattorino (solo per il mercato francese) della marca Oleo-Mac Richiede pezzi:1
€55,03 IVA inc.
Spedire a
*
*
Metodo di spedizione
Nome
Stima di spedizione
Costo
Stima Spedizione non possibile
+ -
38 Rondella
Ricambio Rondella Piatto di taglio POLO 95/11,5 T France Cat.2008 Trattorino (solo per il mercato francese) della marca Oleo-Mac Richiede pezzi:1
€12,69 IVA inc.
Spedire a
*
*
Metodo di spedizione
Nome
Stima di spedizione
Costo
Stima Spedizione non possibile
+ -
39 Boccola
Ricambio Boccola Piatto di taglio POLO 95/11,5 T France Cat.2008 Trattorino (solo per il mercato francese) della marca Oleo-Mac Richiede pezzi:1
€17,71 IVA inc.
Spedire a
*
*
Metodo di spedizione
Nome
Stima di spedizione
Costo
Stima Spedizione non possibile
+ -
40 Cinghia
Ricambio Cinghia Piatto di taglio POLO 95/11,5 T France Cat.2008 Trattorino (solo per il mercato francese) della marca Oleo-Mac Richiede pezzi:1
€118,35 IVA inc.
Spedire a
*
*
Metodo di spedizione
Nome
Stima di spedizione
Costo
Stima Spedizione non possibile
+ -
41 Puleggia
Ricambio Puleggia Piatto di taglio POLO 95/11,5 T France Cat.2008 Trattorino (solo per il mercato francese) della marca Oleo-Mac Richiede pezzi:1
€54,06 IVA inc.
Spedire a
*
*
Metodo di spedizione
Nome
Stima di spedizione
Costo
Stima Spedizione non possibile
+ -
43 Piastra Nero; Black
Ricambio Piastra Nero; Black Piatto di taglio POLO 95/11,5 T France Cat.2008 Trattorino (solo per il mercato francese) della marca Oleo-Mac Richiede pezzi:1
€26,62 IVA inc.
Spedire a
*
*
Metodo di spedizione
Nome
Stima di spedizione
Costo
Stima Spedizione non possibile
+ -
44 Guida
Ricambio Guida Piatto di taglio POLO 95/11,5 T France Cat.2008 Trattorino (solo per il mercato francese) della marca Oleo-Mac Richiede pezzi:4
€40,63 IVA inc.
Spedire a
*
*
Metodo di spedizione
Nome
Stima di spedizione
Costo
Stima Spedizione non possibile
+ -
Scrivi la tua recensione
*
*
  • Pessimo
  • Eccellente