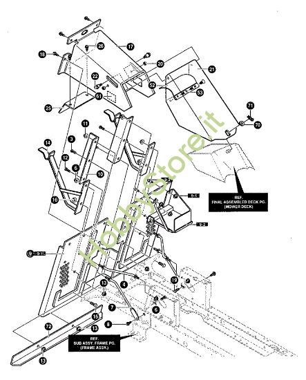
Gruppo telaio posteriore (1/2) GRAND PRIX 15.5 - (1°Sr.) Trattorino - 1ª serie (Fino a Settembre 98)

Trattorini GRAND PRIX 15.5 - (1°Sr.) Trattorino - 1ª serie (Fino a Settembre 98) Gruppo telaio posteriore (1/2) della marca Efco
PAga in tre rate con Klarna
PAga in tre rate con Klarna
PAga in tre rate con Klarna black
Produttore:: EFCO

In caso di ordine dei ricambi, se non immediatamente disponibili a magazzino, le tempistiche possono arrivare fino a 7-18 GIORNI LAVORATIVI..

...in caso di ordine ricorda di scrivere nel campo note varie IL SERIALE DELLA TUA MACCHINA, L'ANNO DI ACQUISTO ECC.. Questo per agevolare il nostro staff nella individuazione dei ricambi corretti.

...In caso di mancata trasmissione di tali informazioni, saremo costretti ad applicare una penale del 20% sul valore del ricambio in caso di richiesta di rimborso o di sostituzione.

ATTENZIONE: Se nella lista sotto non compaiono i relativi ricambi riportati nell'esploso

...significa che  non è possibile più acquistarli in quanto NON PIU' FORNIBILI E/O OBSOLETI

In caso di ordine di ricambi per il tuo prodotto GRAND PRIX 15.5 - (1°Sr.) Trattorino - 1ª serie (Fino a Settembre 98) della Efco, per permettere al nostro staff di spedirti i ricambi corretti, inserire, nella pagina finale del carrello nel campo Note varie, anno della macchina e, se disponibile, il suo numero di matricola.

In caso di ordine di ricambi per il tuo prodotto GRAND PRIX 15.5 - (1°Sr.) Trattorino - 1ª serie (Fino a Settembre 98) della Efco, per permettere al nostro staff di spedirti i ricambi corretti, inserire, nella pagina finale del carrello nel campo Note varie, anno della macchina e, se disponibile, il suo numero di matricola.

Nessun prodotto disponibile
Scrivi la tua recensione
*
*
  • Pessimo
  • Eccellente