Trasmissione NTR 340 H Transporter

Transporters NTR 340 H Transporter Trasmissione della marca Nibbi
PAga in tre rate con Klarna
PAga in tre rate con Klarna
PAga in tre rate con Klarna black
Produttore:: NIBBI

In caso di ordine dei ricambi, se non immediatamente disponibili a magazzino, le tempistiche possono arrivare fino a 7-18 GIORNI LAVORATIVI..

...in caso di ordine ricorda di scrivere nel campo note varie IL SERIALE DELLA TUA MACCHINA, L'ANNO DI ACQUISTO ECC.. Questo per agevolare il nostro staff nella individuazione dei ricambi corretti.

...In caso di mancata trasmissione di tali informazioni, saremo costretti ad applicare una penale del 20% sul valore del ricambio in caso di richiesta di rimborso o di sostituzione.

ATTENZIONE: Se nella lista sotto non compaiono i relativi ricambi riportati nell'esploso

...significa che  non è possibile più acquistarli in quanto NON PIU' FORNIBILI E/O OBSOLETI

In caso di ordine di ricambi per il tuo prodotto NTR 340 H Transporter della Nibbi, per permettere al nostro staff di spedirti i ricambi corretti, inserire, nella pagina finale del carrello nel campo Note varie, anno della macchina e, se disponibile, il suo numero di matricola.

In caso di ordine di ricambi per il tuo prodotto NTR 340 H Transporter della Nibbi, per permettere al nostro staff di spedirti i ricambi corretti, inserire, nella pagina finale del carrello nel campo Note varie, anno della macchina e, se disponibile, il suo numero di matricola.

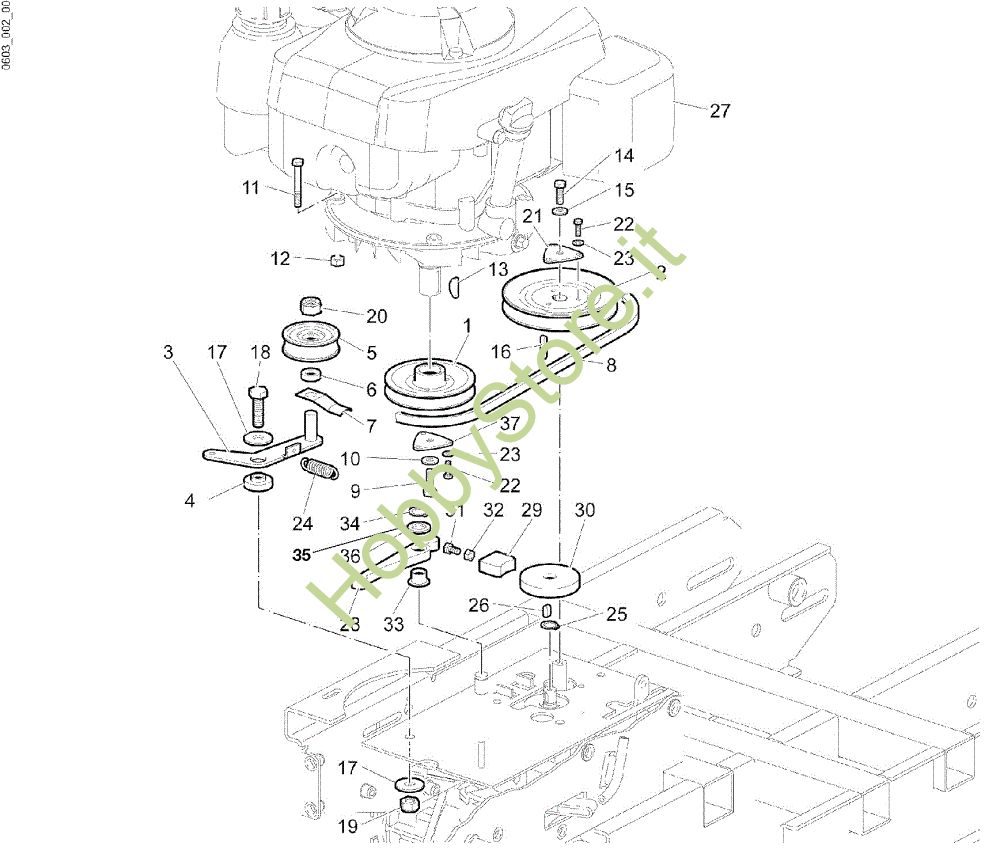
1 Puleggia (Motore)
Ricambio Puleggia (Motore) Trasmissione NTR 340 H Transporter della marca Nibbi Richiede pezzi:1
€37,58 IVA inc.
Spedire a
*
*
Metodo di spedizione
Nome
Stima di spedizione
Costo
Stima Spedizione non possibile
+ -
2 Puleggia (Cambio)
Ricambio Puleggia (Cambio) Trasmissione NTR 340 H Transporter della marca Nibbi Richiede pezzi:1
€45,62 IVA inc.
Spedire a
*
*
Metodo di spedizione
Nome
Stima di spedizione
Costo
Stima Spedizione non possibile
+ -
3 Tendicinghia
Ricambio Tendicinghia Trasmissione NTR 340 H Transporter della marca Nibbi Richiede pezzi:1
€29,10 IVA inc.
Spedire a
*
*
Metodo di spedizione
Nome
Stima di spedizione
Costo
Stima Spedizione non possibile
+ -
4 Supporto
Ricambio Supporto Trasmissione NTR 340 H Transporter della marca Nibbi Richiede pezzi:1
€12,74 IVA inc.
Spedire a
*
*
Metodo di spedizione
Nome
Stima di spedizione
Costo
Stima Spedizione non possibile
+ -
5 Cuscinetto
Ricambio Cuscinetto Trasmissione NTR 340 H Transporter della marca Nibbi Richiede pezzi:1
€15,02 IVA inc.
Spedire a
*
*
Metodo di spedizione
Nome
Stima di spedizione
Costo
Stima Spedizione non possibile
+ -
6 Distanziale
Ricambio Distanziale Trasmissione NTR 340 H Transporter della marca Nibbi Richiede pezzi:1
€9,17 IVA inc.
Spedire a
*
*
Metodo di spedizione
Nome
Stima di spedizione
Costo
Stima Spedizione non possibile
+ -
7 Lamierino
Ricambio Lamierino Trasmissione NTR 340 H Transporter della marca Nibbi Richiede pezzi:1
€5,66 IVA inc.
Spedire a
*
*
Metodo di spedizione
Nome
Stima di spedizione
Costo
Stima Spedizione non possibile
+ -
8 Cinghia Optibelt ZX/X10 33 1/2
Ricambio Cinghia Optibelt ZX/X10 33 1/2 Trasmissione NTR 340 H Transporter della marca Nibbi Richiede pezzi:1
€27,60 IVA inc.
Spedire a
*
*
Metodo di spedizione
Nome
Stima di spedizione
Costo
Stima Spedizione non possibile
+ -
9 Vite
Ricambio Vite Trasmissione NTR 340 H Transporter della marca Nibbi Richiede pezzi:1
€7,76 IVA inc.
Spedire a
*
*
Metodo di spedizione
Nome
Stima di spedizione
Costo
Stima Spedizione non possibile
+ -
10 Rondella
Ricambio Rondella Trasmissione NTR 340 H Transporter della marca Nibbi Richiede pezzi:1
€1,32 IVA inc.
Spedire a
*
*
Metodo di spedizione
Nome
Stima di spedizione
Costo
Stima Spedizione non possibile
+ -
11 Vite
Ricambio Vite Trasmissione NTR 340 H Transporter della marca Nibbi Richiede pezzi:4
€2,73 IVA inc.
Spedire a
*
*
Metodo di spedizione
Nome
Stima di spedizione
Costo
Stima Spedizione non possibile
+ -
12 Dado
Ricambio Dado Trasmissione NTR 340 H Transporter della marca Nibbi Richiede pezzi:4
€5,86 IVA inc.
Spedire a
*
*
Metodo di spedizione
Nome
Stima di spedizione
Costo
Stima Spedizione non possibile
+ -
13 Linguetta
Ricambio Linguetta Trasmissione NTR 340 H Transporter della marca Nibbi Richiede pezzi:3
€7,71 IVA inc.
Spedire a
*
*
Metodo di spedizione
Nome
Stima di spedizione
Costo
Stima Spedizione non possibile
+ -
14 Vite
Ricambio Vite Trasmissione NTR 340 H Transporter della marca Nibbi Richiede pezzi:1
€1,42 IVA inc.
Spedire a
*
*
Metodo di spedizione
Nome
Stima di spedizione
Costo
Stima Spedizione non possibile
+ -
15 Rodella
Ricambio Rodella Trasmissione NTR 340 H Transporter della marca Nibbi Richiede pezzi:1
€5,56 IVA inc.
Spedire a
*
*
Metodo di spedizione
Nome
Stima di spedizione
Costo
Stima Spedizione non possibile
+ -
16 Linguetta
Ricambio Linguetta Trasmissione NTR 340 H Transporter della marca Nibbi Richiede pezzi:1
€5,90 IVA inc.
Spedire a
*
*
Metodo di spedizione
Nome
Stima di spedizione
Costo
Stima Spedizione non possibile
+ -
17 Rosetta
Ricambio Rosetta Trasmissione NTR 340 H Transporter della marca Nibbi Richiede pezzi:2
€1,46 IVA inc.
Spedire a
*
*
Metodo di spedizione
Nome
Stima di spedizione
Costo
Stima Spedizione non possibile
+ -
18 Vite
Ricambio Vite Trasmissione NTR 340 H Transporter della marca Nibbi Richiede pezzi:1
€2,83 IVA inc.
Spedire a
*
*
Metodo di spedizione
Nome
Stima di spedizione
Costo
Stima Spedizione non possibile
+ -
19 Dado
Ricambio Dado Trasmissione NTR 340 H Transporter della marca Nibbi Richiede pezzi:1
€1,95 IVA inc.
Spedire a
*
*
Metodo di spedizione
Nome
Stima di spedizione
Costo
Stima Spedizione non possibile
+ -
20 Dado
Ricambio Dado Trasmissione NTR 340 H Transporter della marca Nibbi Richiede pezzi:1
€2,15 IVA inc.
Spedire a
*
*
Metodo di spedizione
Nome
Stima di spedizione
Costo
Stima Spedizione non possibile
+ -
21 Piastra di fissaggio
Ricambio Piastra di fissaggio Trasmissione NTR 340 H Transporter della marca Nibbi Richiede pezzi:1
€3,76 IVA inc.
Spedire a
*
*
Metodo di spedizione
Nome
Stima di spedizione
Costo
Stima Spedizione non possibile
+ -
22 Vite
Ricambio Vite Trasmissione NTR 340 H Transporter della marca Nibbi Richiede pezzi:6
€9,13 IVA inc.
Spedire a
*
*
Metodo di spedizione
Nome
Stima di spedizione
Costo
Stima Spedizione non possibile
+ -
23 Rondella
Ricambio Rondella Trasmissione NTR 340 H Transporter della marca Nibbi Richiede pezzi:6
€0,54 IVA inc.
Spedire a
*
*
Metodo di spedizione
Nome
Stima di spedizione
Costo
Stima Spedizione non possibile
+ -
24 Molla
Ricambio Molla Trasmissione NTR 340 H Transporter della marca Nibbi Richiede pezzi:1
€12,88 IVA inc.
Spedire a
*
*
Metodo di spedizione
Nome
Stima di spedizione
Costo
Stima Spedizione non possibile
+ -
25 Seeger
Ricambio Seeger Trasmissione NTR 340 H Transporter della marca Nibbi Richiede pezzi:1
€1,32 IVA inc.
Spedire a
*
*
Metodo di spedizione
Nome
Stima di spedizione
Costo
Stima Spedizione non possibile
+ -
26 Linguetta
Ricambio Linguetta Trasmissione NTR 340 H Transporter della marca Nibbi Richiede pezzi:1
€1,32 IVA inc.
Spedire a
*
*
Metodo di spedizione
Nome
Stima di spedizione
Costo
Stima Spedizione non possibile
+ -
28 Leva
Ricambio Leva Trasmissione NTR 340 H Transporter della marca Nibbi Richiede pezzi:1
€17,90 IVA inc.
Spedire a
*
*
Metodo di spedizione
Nome
Stima di spedizione
Costo
Stima Spedizione non possibile
+ -
29 Ceppo freno
Ricambio Ceppo freno Trasmissione NTR 340 H Transporter della marca Nibbi Richiede pezzi:1
€38,38 IVA inc.
Spedire a
*
*
Metodo di spedizione
Nome
Stima di spedizione
Costo
Stima Spedizione non possibile
+ -
30 Tamburo
Ricambio Tamburo Trasmissione NTR 340 H Transporter della marca Nibbi Richiede pezzi:1
€30,15 IVA inc.
Spedire a
*
*
Metodo di spedizione
Nome
Stima di spedizione
Costo
Stima Spedizione non possibile
+ -
32 Dado
Ricambio Dado Trasmissione NTR 340 H Transporter della marca Nibbi Richiede pezzi:1
€0,54 IVA inc.
Spedire a
*
*
Metodo di spedizione
Nome
Stima di spedizione
Costo
Stima Spedizione non possibile
+ -
33 Boccola
Ricambio Boccola Trasmissione NTR 340 H Transporter della marca Nibbi Richiede pezzi:1
€2,15 IVA inc.
Spedire a
*
*
Metodo di spedizione
Nome
Stima di spedizione
Costo
Stima Spedizione non possibile
+ -
34 Seeger
Ricambio Seeger Trasmissione NTR 340 H Transporter della marca Nibbi Richiede pezzi:1
€1,32 IVA inc.
Spedire a
*
*
Metodo di spedizione
Nome
Stima di spedizione
Costo
Stima Spedizione non possibile
+ -
35 Rondella
Ricambio Rondella Trasmissione NTR 340 H Transporter della marca Nibbi Richiede pezzi:1
€6,93 IVA inc.
Spedire a
*
*
Metodo di spedizione
Nome
Stima di spedizione
Costo
Stima Spedizione non possibile
+ -
36 Rondella
Ricambio Rondella Trasmissione NTR 340 H Transporter della marca Nibbi Richiede pezzi:1
€0,63 IVA inc.
Spedire a
*
*
Metodo di spedizione
Nome
Stima di spedizione
Costo
Stima Spedizione non possibile
+ -
37 Piastra di fissaggio
Ricambio Piastra di fissaggio Trasmissione NTR 340 H Transporter della marca Nibbi Richiede pezzi:1
€10,59 IVA inc.
Spedire a
*
*
Metodo di spedizione
Nome
Stima di spedizione
Costo
Stima Spedizione non possibile
+ -
Scrivi la tua recensione
*
*
  • Pessimo
  • Eccellente