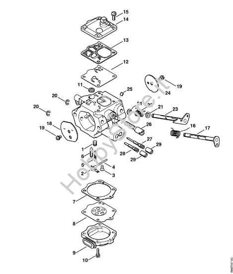
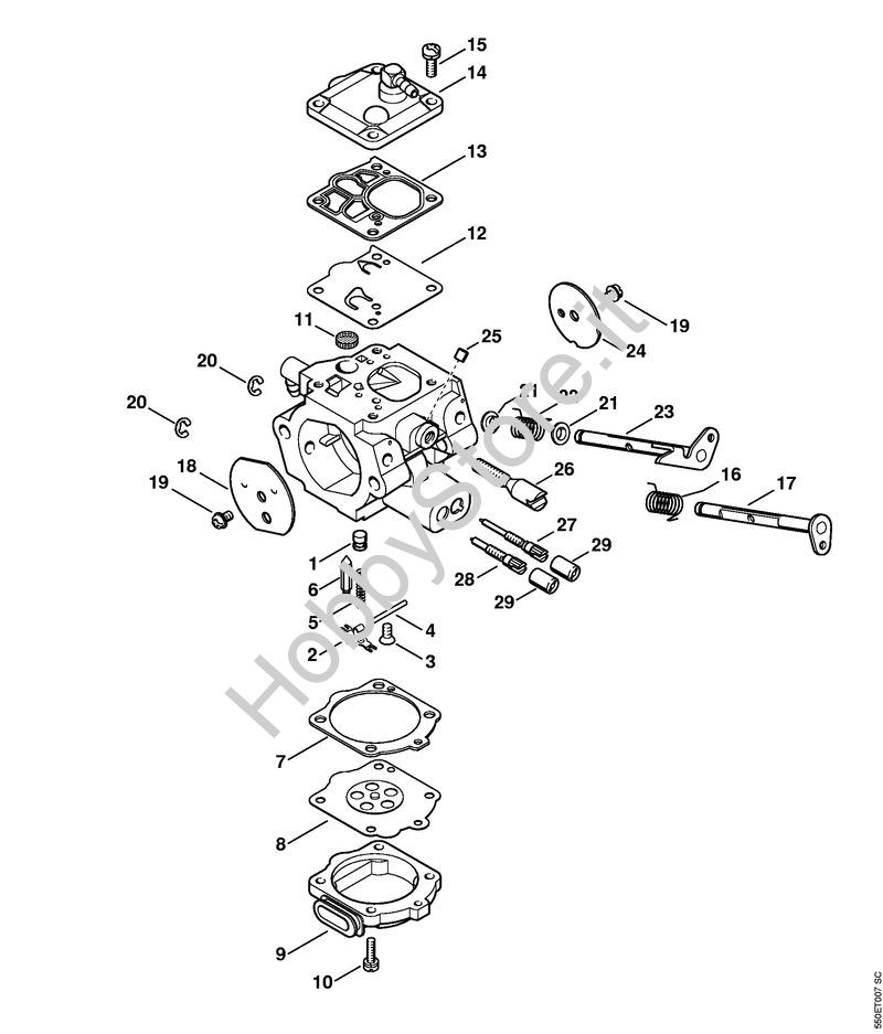
Carburatore WG-11 MS 780-R

Carburatore WG-11 Motoseghe a benzina (MS) MS 780-R della marca STIHL
PAga in tre rate con Klarna
PAga in tre rate con Klarna
PAga in tre rate con Klarna black
Produttore:: STIHL

In caso di ordine dei ricambi ricordati di inserie nel campo "note varie" in fase di inserimento dei tuoi dati di spedizione, anche IL NUMERO DI SERIE DELLA TUA MACCHINA..

...Solo così potrai permettere al nostro staff di spedirti i RICAMBI CORRETTI per la tua macchina 
(in alternativa scrivi l'anno di acquisto della macchina , foto del ricambio ecc.)

...In caso di mancata trasmissione di tali informazioni, saremo costretti ad applicare una penale del 20% sul valore del ricambio in caso di richiesta di rimborso o della sostituzione.

ATTENZIONE: Se non immediatamente disponibili, le tempistiche sono di 5-10 GIORNI LAVORATIVI.

ATTENZIONE: Se nella lista sotto non compaiono i relativi ricambi riportati nell'esploso

...significa che  non è possibile più acquistarli in quanto NON PIU' FORNIBILI E/O OBSOLETI

In caso di ordine di ricambi per il tuo prodotto Motoseghe a benzina (MS) MS 780-R della Stihl, per permettere al nostro staff di spedirti i ricambi corretti, inserire, nella pagina finale del carrello nel campo Note varie, anno della macchina e, se disponibile, il suo numero di matricola.

In caso di ordine di ricambi per il tuo prodotto Motoseghe a benzina (MS) MS 780-R della Stihl, per permettere al nostro staff di spedirti i ricambi corretti, inserire, nella pagina finale del carrello nel campo Note varie, anno della macchina e, se disponibile, il suo numero di matricola.

Carburatore WG-11A
Ricambio Carburatore WG-11A Motoseghe a benzina (MS) MS 780-R STIHL Contiene anche i ricambi da n. 1 a 29
€218,56 IVA inc.
Spedire a
*
*
Metodo di spedizione
Nome
Stima di spedizione
Costo
Stima Spedizione non possibile
+ -
2 Bilanciere regolazione entrata
Ricambio Bilanciere regolazione entrata Motoseghe a benzina (MS) MS 780-R STIHL
€9,27 IVA inc.
Spedire a
*
*
Metodo di spedizione
Nome
Stima di spedizione
Costo
Stima Spedizione non possibile
+ -
3 Vite a testa semisferica
Ricambio Vite a testa semisferica Motoseghe a benzina (MS) MS 780-R STIHL
€3,81 IVA inc.
Spedire a
*
*
Metodo di spedizione
Nome
Stima di spedizione
Costo
Stima Spedizione non possibile
+ -
5 Molla
Ricambio Molla Motoseghe a benzina (MS) MS 780-R STIHL
€6,88 IVA inc.
Spedire a
*
*
Metodo di spedizione
Nome
Stima di spedizione
Costo
Stima Spedizione non possibile
+ -
6 Spillo entrata
Ricambio Spillo entrata Motoseghe a benzina (MS) MS 780-R STIHL
€20,77 IVA inc.
Spedire a
*
*
Metodo di spedizione
Nome
Stima di spedizione
Costo
Stima Spedizione non possibile
+ -
7 Guarnizione
Ricambio Guarnizione Motoseghe a benzina (MS) MS 780-R STIHL
€6,10 IVA inc.
Spedire a
*
*
Metodo di spedizione
Nome
Stima di spedizione
Costo
Stima Spedizione non possibile
+ -
8 Membrana di regolazione
Ricambio Membrana di regolazione Motoseghe a benzina (MS) MS 780-R STIHL
€27,21 IVA inc.
Spedire a
*
*
Metodo di spedizione
Nome
Stima di spedizione
Costo
Stima Spedizione non possibile
+ -
9 Coperchio di chiusura
Ricambio Coperchio di chiusura Motoseghe a benzina (MS) MS 780-R STIHL
€18,43 IVA inc.
Spedire a
*
*
Metodo di spedizione
Nome
Stima di spedizione
Costo
Stima Spedizione non possibile
+ -
10 Vite a testa semisferica
Ricambio Vite a testa semisferica Motoseghe a benzina (MS) MS 780-R STIHL
€7,61 IVA inc.
Spedire a
*
*
Metodo di spedizione
Nome
Stima di spedizione
Costo
Stima Spedizione non possibile
+ -
11 Retina
Ricambio Retina Motoseghe a benzina (MS) MS 780-R STIHL
€9,03 IVA inc.
Spedire a
*
*
Metodo di spedizione
Nome
Stima di spedizione
Costo
Stima Spedizione non possibile
+ -
12 Membrana pompa
Ricambio Membrana pompa Motoseghe a benzina (MS) MS 780-R STIHL
€27,21 IVA inc.
Spedire a
*
*
Metodo di spedizione
Nome
Stima di spedizione
Costo
Stima Spedizione non possibile
+ -
13 Guarnizione
Ricambio Guarnizione Motoseghe a benzina (MS) MS 780-R STIHL
€6,10 IVA inc.
Spedire a
*
*
Metodo di spedizione
Nome
Stima di spedizione
Costo
Stima Spedizione non possibile
+ -
14 Coperchio pompa
Ricambio Coperchio pompa Motoseghe a benzina (MS) MS 780-R STIHL
€23,17 IVA inc.
Spedire a
*
*
Metodo di spedizione
Nome
Stima di spedizione
Costo
Stima Spedizione non possibile
+ -
16 Molla con gancio
Ricambio Molla con gancio Motoseghe a benzina (MS) MS 780-R STIHL
€3,17 IVA inc.
Spedire a
*
*
Metodo di spedizione
Nome
Stima di spedizione
Costo
Stima Spedizione non possibile
+ -
17 Albero farfalla avviamento con leva
Ricambio Albero farfalla avviamento con leva Motoseghe a benzina (MS) MS 780-R STIHL
€25,00 IVA inc.
Spedire a
*
*
Metodo di spedizione
Nome
Stima di spedizione
Costo
Stima Spedizione non possibile
+ -
18 Farfalla avviamento
Ricambio Farfalla avviamento Motoseghe a benzina (MS) MS 780-R STIHL
€11,96 IVA inc.
Spedire a
*
*
Metodo di spedizione
Nome
Stima di spedizione
Costo
Stima Spedizione non possibile
+ -
19 Vite a testa svasata incassata
Ricambio Vite a testa svasata incassata Motoseghe a benzina (MS) MS 780-R STIHL
€7,61 IVA inc.
Spedire a
*
*
Metodo di spedizione
Nome
Stima di spedizione
Costo
Stima Spedizione non possibile
+ -
20 Rondella di sicurezza
Ricambio Rondella di sicurezza Motoseghe a benzina (MS) MS 780-R STIHL
€6,49 IVA inc.
Spedire a
*
*
Metodo di spedizione
Nome
Stima di spedizione
Costo
Stima Spedizione non possibile
+ -
21 Boccola
Ricambio Boccola Motoseghe a benzina (MS) MS 780-R STIHL
€3,12 IVA inc.
Spedire a
*
*
Metodo di spedizione
Nome
Stima di spedizione
Costo
Stima Spedizione non possibile
+ -
22 Molla con gancio
Ricambio Molla con gancio Motoseghe a benzina (MS) MS 780-R STIHL
€3,17 IVA inc.
Spedire a
*
*
Metodo di spedizione
Nome
Stima di spedizione
Costo
Stima Spedizione non possibile
+ -
23 Albero farfalla riduzione con leva
Ricambio Albero farfalla riduzione con leva Motoseghe a benzina (MS) MS 780-R STIHL
€26,04 IVA inc.
Spedire a
*
*
Metodo di spedizione
Nome
Stima di spedizione
Costo
Stima Spedizione non possibile
+ -
24 Farfalla di riduzione
Ricambio Farfalla di riduzione Motoseghe a benzina (MS) MS 780-R STIHL
€11,96 IVA inc.
Spedire a
*
*
Metodo di spedizione
Nome
Stima di spedizione
Costo
Stima Spedizione non possibile
+ -
25 Blocchetto di serraggio
Ricambio Blocchetto di serraggio Motoseghe a benzina (MS) MS 780-R STIHL
€7,61 IVA inc.
Spedire a
*
*
Metodo di spedizione
Nome
Stima di spedizione
Costo
Stima Spedizione non possibile
+ -
26 Vite arresto registro minimo
Ricambio Vite arresto registro minimo Motoseghe a benzina (MS) MS 780-R STIHL
€19,67 IVA inc.
Spedire a
*
*
Metodo di spedizione
Nome
Stima di spedizione
Costo
Stima Spedizione non possibile
+ -
27 Vite registro minimo
Ricambio Vite registro minimo Motoseghe a benzina (MS) MS 780-R STIHL
€19,67 IVA inc.
Spedire a
*
*
Metodo di spedizione
Nome
Stima di spedizione
Costo
Stima Spedizione non possibile
+ -
29 Cuffia
Ricambio Cuffia Motoseghe a benzina (MS) MS 780-R STIHL
€10,00 IVA inc.
Spedire a
*
*
Metodo di spedizione
Nome
Stima di spedizione
Costo
Stima Spedizione non possibile
+ -
Serie particolari carburatore
Ricambio Serie particolari carburatore Motoseghe a benzina (MS) MS 780-R STIHL Contiene anche i ricambi nr. 7, 8, 12, 13
€32,10 IVA inc.
Spedire a
*
*
Metodo di spedizione
Nome
Stima di spedizione
Costo
Stima Spedizione non possibile
+ -
Scrivi la tua recensione
*
*
  • Pessimo
  • Eccellente