In caso di ordine dei ricambi ricordati di inserie nel campo "note varie" in fase di inserimento dei tuoi dati di spedizione, anche IL NUMERO DI SERIE DELLA TUA MACCHINA..
...Solo così potrai permettere al nostro staff di spedirti i RICAMBI CORRETTI per la tua macchina (in alternativa scrivi l'anno di acquisto della macchina , foto del ricambio ecc.)
...In caso di mancata trasmissione di tali informazioni, saremo costretti ad applicare una penale del 20% sul valore del ricambio in caso di richiesta di rimborso o della sostituzione.
ATTENZIONE: Se non immediatamente disponibili, le tempistiche sono di 5-10 GIORNI LAVORATIVI.
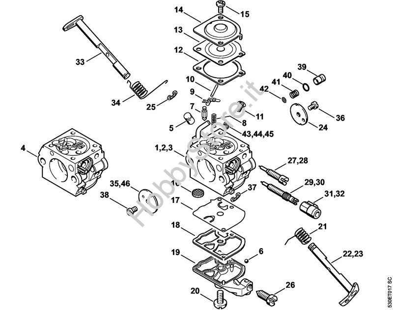
ATTENZIONE: Se nella lista sotto non compaiono i relativi ricambi riportati nell'esploso
...significa che non è possibile più acquistarli in quanto NON PIU' FORNIBILI E/O OBSOLETI
In caso di ordine di ricambi per il tuo prodotto Motoseghe a benzina (MS) MS 210 C-BE della Stihl, per permettere al nostro staff di spedirti i ricambi corretti, inserire, nella pagina finale del carrello nel campo Note varie, anno della macchina e, se disponibile, il suo numero di matricola.