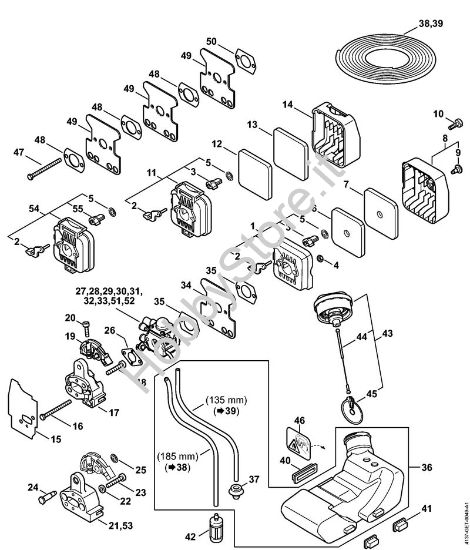
Filtro aria, serbatoio carburante FS 85 R

Filtro aria, serbatoio carburante Decespugliatrici (FS) FS 85 R della marca STIHL
PAga in tre rate con Klarna
PAga in tre rate con Klarna
PAga in tre rate con Klarna black
Produttore:: STIHL

In caso di ordine dei ricambi ricordati di inserie nel campo "note varie" in fase di inserimento dei tuoi dati di spedizione, anche IL NUMERO DI SERIE DELLA TUA MACCHINA..

...Solo così potrai permettere al nostro staff di spedirti i RICAMBI CORRETTI per la tua macchina 
(in alternativa scrivi l'anno di acquisto della macchina , foto del ricambio ecc.)

...In caso di mancata trasmissione di tali informazioni, saremo costretti ad applicare una penale del 20% sul valore del ricambio in caso di richiesta di rimborso o della sostituzione.

ATTENZIONE: Se non immediatamente disponibili, le tempistiche sono di 5-10 GIORNI LAVORATIVI.

ATTENZIONE: Se nella lista sotto non compaiono i relativi ricambi riportati nell'esploso

...significa che  non è possibile più acquistarli in quanto NON PIU' FORNIBILI E/O OBSOLETI

In caso di ordine di ricambi per il tuo prodotto Decespugliatrici (FS) FS 85 R della Stihl, per permettere al nostro staff di spedirti i ricambi corretti, inserire, nella pagina finale del carrello nel campo Note varie, anno della macchina e, se disponibile, il suo numero di matricola.

In caso di ordine di ricambi per il tuo prodotto Decespugliatrici (FS) FS 85 R della Stihl, per permettere al nostro staff di spedirti i ricambi corretti, inserire, nella pagina finale del carrello nel campo Note varie, anno della macchina e, se disponibile, il suo numero di matricola.

1 Corpo filtro
Ricambio Corpo filtro Decespugliatrici (FS) FS 85 R STIHL Contiene anche i ricambi nr. 2, 3, 5
€26,93 IVA inc.
Spedire a
*
*
Metodo di spedizione
Nome
Stima di spedizione
Costo
Stima Spedizione non possibile
+ -
2 Leva
Ricambio Leva Decespugliatrici (FS) FS 85 R STIHL
€4,83 IVA inc.
Spedire a
*
*
Metodo di spedizione
Nome
Stima di spedizione
Costo
Stima Spedizione non possibile
+ -
3 Farfalla aria
Ricambio Farfalla aria Decespugliatrici (FS) FS 85 R STIHL
€11,96 IVA inc.
Spedire a
*
*
Metodo di spedizione
Nome
Stima di spedizione
Costo
Stima Spedizione non possibile
+ -
4 Dado esagonale M5
Ricambio Dado esagonale M5 Decespugliatrici (FS) FS 85 R STIHL
€1,12 IVA inc.
Spedire a
*
*
Metodo di spedizione
Nome
Stima di spedizione
Costo
Stima Spedizione non possibile
+ -
5 Dado elastico 4,0x9,6x1,8
Ricambio Dado elastico 4,0x9,6x1,8 Decespugliatrici (FS) FS 85 R STIHL
€3,17 IVA inc.
Spedire a
*
*
Metodo di spedizione
Nome
Stima di spedizione
Costo
Stima Spedizione non possibile
+ -
6 Filtro
Ricambio Filtro Decespugliatrici (FS) FS 85 R STIHL
€7,52 IVA inc.
Spedire a
*
*
Metodo di spedizione
Nome
Stima di spedizione
Costo
Stima Spedizione non possibile
+ -
7 Prefiltro
Ricambio Prefiltro Decespugliatrici (FS) FS 85 R STIHL
€2,98 IVA inc.
Spedire a
*
*
Metodo di spedizione
Nome
Stima di spedizione
Costo
Stima Spedizione non possibile
+ -
8 Coperchio filtro
Ricambio Coperchio filtro Decespugliatrici (FS) FS 85 R STIHL Contiene anche i ricambi n. 9
€25,13 IVA inc.
Spedire a
*
*
Metodo di spedizione
Nome
Stima di spedizione
Costo
Stima Spedizione non possibile
+ -
9 Vite D
Ricambio Vite D Decespugliatrici (FS) FS 85 R STIHL
€4,44 IVA inc.
Spedire a
*
*
Metodo di spedizione
Nome
Stima di spedizione
Costo
Stima Spedizione non possibile
+ -
10 Vite a testa cava IS-M5x17
Ricambio Vite a testa cava IS-M5x17 Decespugliatrici (FS) FS 85 R STIHL
€3,22 IVA inc.
Spedire a
*
*
Metodo di spedizione
Nome
Stima di spedizione
Costo
Stima Spedizione non possibile
+ -
11 Corpo filtro
Ricambio Corpo filtro Decespugliatrici (FS) FS 85 R STIHL Contiene anche i ricambi nr. 2, 3, 5
€26,54 IVA inc.
Spedire a
*
*
Metodo di spedizione
Nome
Stima di spedizione
Costo
Stima Spedizione non possibile
+ -
12 Filtro
Ricambio Filtro Decespugliatrici (FS) FS 85 R STIHL
€7,71 IVA inc.
Spedire a
*
*
Metodo di spedizione
Nome
Stima di spedizione
Costo
Stima Spedizione non possibile
+ -
13 Prefiltro
Ricambio Prefiltro Decespugliatrici (FS) FS 85 R STIHL
€4,05 IVA inc.
Spedire a
*
*
Metodo di spedizione
Nome
Stima di spedizione
Costo
Stima Spedizione non possibile
+ -
14 Coperchio filtro
Ricambio Coperchio filtro Decespugliatrici (FS) FS 85 R STIHL
€21,17 IVA inc.
Spedire a
*
*
Metodo di spedizione
Nome
Stima di spedizione
Costo
Stima Spedizione non possibile
+ -
15 Guarnizione
Ricambio Guarnizione Decespugliatrici (FS) FS 85 R STIHL
€6,10 IVA inc.
Spedire a
*
*
Metodo di spedizione
Nome
Stima di spedizione
Costo
Stima Spedizione non possibile
+ -
16 Vite a testa esagonale M5x62
Ricambio Vite a testa esagonale M5x62 Decespugliatrici (FS) FS 85 R STIHL
€5,42 IVA inc.
Spedire a
*
*
Metodo di spedizione
Nome
Stima di spedizione
Costo
Stima Spedizione non possibile
+ -
17 Flangia intermedia
Ricambio Flangia intermedia Decespugliatrici (FS) FS 85 R STIHL
€28,40 IVA inc.
Spedire a
*
*
Metodo di spedizione
Nome
Stima di spedizione
Costo
Stima Spedizione non possibile
+ -
18 Vite per plastica IS-D5x24
Ricambio Vite per plastica IS-D5x24 Decespugliatrici (FS) FS 85 R STIHL
€3,22 IVA inc.
Spedire a
*
*
Metodo di spedizione
Nome
Stima di spedizione
Costo
Stima Spedizione non possibile
+ -
19 Blocchetto di serraggio
Ricambio Blocchetto di serraggio Decespugliatrici (FS) FS 85 R STIHL
€13,18 IVA inc.
Spedire a
*
*
Metodo di spedizione
Nome
Stima di spedizione
Costo
Stima Spedizione non possibile
+ -
20 Vite cilindrica IS M4x16
Ricambio Vite cilindrica IS M4x16 Decespugliatrici (FS) FS 85 R STIHL
€2,68 IVA inc.
Spedire a
*
*
Metodo di spedizione
Nome
Stima di spedizione
Costo
Stima Spedizione non possibile
+ -
21 Flangia intermedia
Ricambio Flangia intermedia Decespugliatrici (FS) FS 85 R STIHL
€28,40 IVA inc.
Spedire a
*
*
Metodo di spedizione
Nome
Stima di spedizione
Costo
Stima Spedizione non possibile
+ -
22 Disco 5,3
Ricambio Disco 5,3 Decespugliatrici (FS) FS 85 R STIHL
€1,07 IVA inc.
Spedire a
*
*
Metodo di spedizione
Nome
Stima di spedizione
Costo
Stima Spedizione non possibile
+ -
23 Vite a stella IS-M5x25
Ricambio Vite a stella IS-M5x25 Decespugliatrici (FS) FS 85 R STIHL
€3,81 IVA inc.
Spedire a
*
*
Metodo di spedizione
Nome
Stima di spedizione
Costo
Stima Spedizione non possibile
+ -
24 Perno
Ricambio Perno Decespugliatrici (FS) FS 85 R STIHL
€14,46 IVA inc.
Spedire a
*
*
Metodo di spedizione
Nome
Stima di spedizione
Costo
Stima Spedizione non possibile
+ -
25 Dado elastico 4,0x9,6x1,8
Ricambio Dado elastico 4,0x9,6x1,8 Decespugliatrici (FS) FS 85 R STIHL
€3,17 IVA inc.
Spedire a
*
*
Metodo di spedizione
Nome
Stima di spedizione
Costo
Stima Spedizione non possibile
+ -
26 Guarnizione
Ricambio Guarnizione Decespugliatrici (FS) FS 85 R STIHL
€6,10 IVA inc.
Spedire a
*
*
Metodo di spedizione
Nome
Stima di spedizione
Costo
Stima Spedizione non possibile
+ -
27 Carburatore 4137/36
Ricambio Carburatore 4137/36 Decespugliatrici (FS) FS 85 R STIHL
€83,21 IVA inc.
Spedire a
*
*
Metodo di spedizione
Nome
Stima di spedizione
Costo
Stima Spedizione non possibile
+ -
31 Carburatore C1Q-S56B
Ricambio Carburatore C1Q-S56B Decespugliatrici (FS) FS 85 R STIHL
€99,86 IVA inc.
Spedire a
*
*
Metodo di spedizione
Nome
Stima di spedizione
Costo
Stima Spedizione non possibile
+ -
34 Lamiera di protezione
Ricambio Lamiera di protezione Decespugliatrici (FS) FS 85 R STIHL
€9,76 IVA inc.
Spedire a
*
*
Metodo di spedizione
Nome
Stima di spedizione
Costo
Stima Spedizione non possibile
+ -
35 Guarnizione
Ricambio Guarnizione Decespugliatrici (FS) FS 85 R STIHL
€4,25 IVA inc.
Spedire a
*
*
Metodo di spedizione
Nome
Stima di spedizione
Costo
Stima Spedizione non possibile
+ -
36 Serbatoio carburante
Ricambio Serbatoio carburante Decespugliatrici (FS) FS 85 R STIHL Contiene anche i ricambi da n. 37 a 39
€53,82 IVA inc.
Spedire a
*
*
Metodo di spedizione
Nome
Stima di spedizione
Costo
Stima Spedizione non possibile
+ -
37 Boccola
Ricambio Boccola Decespugliatrici (FS) FS 85 R STIHL
€4,83 IVA inc.
Spedire a
*
*
Metodo di spedizione
Nome
Stima di spedizione
Costo
Stima Spedizione non possibile
+ -
38 Tubo flessibile 3,1x5,7 mm x 1 m, R3
Ricambio Tubo flessibile 3,1x5,7 mm x 1 m, R3 Decespugliatrici (FS) FS 85 R STIHL
€13,52 IVA inc.
Spedire a
*
*
Metodo di spedizione
Nome
Stima di spedizione
Costo
Stima Spedizione non possibile
+ -
39 Tubo flessibile 3,1x5,7 mm x 1 m, R3
Ricambio Tubo flessibile 3,1x5,7 mm x 1 m, R3 Decespugliatrici (FS) FS 85 R STIHL
€13,52 IVA inc.
Spedire a
*
*
Metodo di spedizione
Nome
Stima di spedizione
Costo
Stima Spedizione non possibile
+ -
40 Inserto
Ricambio Inserto Decespugliatrici (FS) FS 85 R STIHL
€7,47 IVA inc.
Spedire a
*
*
Metodo di spedizione
Nome
Stima di spedizione
Costo
Stima Spedizione non possibile
+ -
41 Inserto
Ricambio Inserto Decespugliatrici (FS) FS 85 R STIHL
€7,47 IVA inc.
Spedire a
*
*
Metodo di spedizione
Nome
Stima di spedizione
Costo
Stima Spedizione non possibile
+ -
42 Succhieruola
Ricambio Succhieruola Decespugliatrici (FS) FS 85 R STIHL
€14,40 IVA inc.
Spedire a
*
*
Metodo di spedizione
Nome
Stima di spedizione
Costo
Stima Spedizione non possibile
+ -
43 Tappo serbatoio
Ricambio Tappo serbatoio Decespugliatrici (FS) FS 85 R STIHL Contiene anche i ricambi n. 44 e 45
€20,40 IVA inc.
Spedire a
*
*
Metodo di spedizione
Nome
Stima di spedizione
Costo
Stima Spedizione non possibile
+ -
44 Cordicella
Ricambio Cordicella Decespugliatrici (FS) FS 85 R STIHL
€4,20 IVA inc.
Spedire a
*
*
Metodo di spedizione
Nome
Stima di spedizione
Costo
Stima Spedizione non possibile
+ -
45 Dispositivo antiperdita
Ricambio Dispositivo antiperdita Decespugliatrici (FS) FS 85 R STIHL
€5,81 IVA inc.
Spedire a
*
*
Metodo di spedizione
Nome
Stima di spedizione
Costo
Stima Spedizione non possibile
+ -
46 Pittogramma di avvertimento Tappo serbatoio
Ricambio Pittogramma di avvertimento Tappo serbatoio Decespugliatrici (FS) FS 85 R STIHL
€8,20 IVA inc.
Spedire a
*
*
Metodo di spedizione
Nome
Stima di spedizione
Costo
Stima Spedizione non possibile
+ -
47 Vite a testa esagonale M5x68
Ricambio Vite a testa esagonale M5x68 Decespugliatrici (FS) FS 85 R STIHL
€5,95 IVA inc.
Spedire a
*
*
Metodo di spedizione
Nome
Stima di spedizione
Costo
Stima Spedizione non possibile
+ -
48 Lamiera distanziatrice
Ricambio Lamiera distanziatrice Decespugliatrici (FS) FS 85 R STIHL
€11,86 IVA inc.
Spedire a
*
*
Metodo di spedizione
Nome
Stima di spedizione
Costo
Stima Spedizione non possibile
+ -
49 Lamiera di protezione
Ricambio Lamiera di protezione Decespugliatrici (FS) FS 85 R STIHL
€9,76 IVA inc.
Spedire a
*
*
Metodo di spedizione
Nome
Stima di spedizione
Costo
Stima Spedizione non possibile
+ -
50 Guarnizione
Ricambio Guarnizione Decespugliatrici (FS) FS 85 R STIHL
€4,25 IVA inc.
Spedire a
*
*
Metodo di spedizione
Nome
Stima di spedizione
Costo
Stima Spedizione non possibile
+ -
52 Carburatore C1Q-S28G
Ricambio Carburatore C1Q-S28G Decespugliatrici (FS) FS 85 R STIHL
€99,86 IVA inc.
Spedire a
*
*
Metodo di spedizione
Nome
Stima di spedizione
Costo
Stima Spedizione non possibile
+ -
53 Flangia intermedia
Ricambio Flangia intermedia Decespugliatrici (FS) FS 85 R STIHL
€28,40 IVA inc.
Spedire a
*
*
Metodo di spedizione
Nome
Stima di spedizione
Costo
Stima Spedizione non possibile
+ -
54 Corpo filtro
Ricambio Corpo filtro Decespugliatrici (FS) FS 85 R STIHL Contiene anche i ricambi nr. 2, 5, 55
€25,77 IVA inc.
Spedire a
*
*
Metodo di spedizione
Nome
Stima di spedizione
Costo
Stima Spedizione non possibile
+ -
55 Farfalla aria
Ricambio Farfalla aria Decespugliatrici (FS) FS 85 R STIHL
€11,96 IVA inc.
Spedire a
*
*
Metodo di spedizione
Nome
Stima di spedizione
Costo
Stima Spedizione non possibile
+ -
Scrivi la tua recensione
*
*
  • Pessimo
  • Eccellente